
XC-OFC-BD XINJE Communications expansion board BD Module New
XC-OFC-BD
Product description
XC-OFC-BD has high baud rate and fast communication speed. The signal is transferred through light wave.
Light wave has strong noise immunity ability; the max transmission distance is 1KM. It is easy to build the network, the slave station can up to 254.
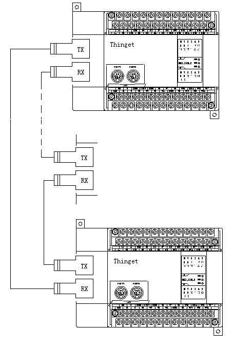
Wiring Diagram
Tell us what you think about this item, share your opinion with other people. Please make sure that your review focus on this item. All the reviews are moderated and will be reviewed within two business days. Inappropriate reviews will not be posted.
Have any question or inquire for this item? Please contact us. Our customer representative will get back shortly.