



ECMA-C20602SS Delta AC Servo Motor 220V 200W 0.64NM 3000rpm with Keyway Oil Seal brake New
AC Servo Motor ECMA-C20602SS available, if need other choices, contact us directly. we can also supply ECMA-C20602RS and ECMA-C20602FC.
1 Motor Specifications
|
Model |
ECMA-C20602SS |
|
Product Name |
Electronic Commutation Motor |
|
Corresponding Servo Motor |
ASD-B2-0221-B |
|
Servo Type |
AC Servo |
|
Rated Voltage |
220V |
|
Encoder Type |
Incremental, 17-bit |
|
Motor Frame Size |
60mm |
|
Type of Shaft Diameter and Oil Seal |
Keyway(with fixed screw holes) with Brake with Oil Seal |
|
Shaft Diameter |
S=14mm |
|
Rated Power Output |
200W |
|
Rated torque (N-m)*1 |
0.64 |
|
Max. torque (N-m) |
1.92 |
|
Rated Speed |
3000 rpm |
|
Max. speed |
5000 rpm |
|
Rated current (A) |
1.55 |
|
Max. current (A) |
4.65 |
|
Torque constant-KT (N-m/A) |
0.41 |
|
Voltage constant-KE (mV/(r/min)) |
16.0 |
|
Armature resistance (Ohm) |
2.79 |
|
Armature inductance (mH) |
12.07 |
|
Electrical time constant (ms) |
4.30 |
|
Insulation class |
Class A (UL), Class B (CE) |
|
Insulation resistance |
> 100 M ohm, DC 500 V |
|
Insulation strength |
AC 1500V, 60 sec |
|
Weight (kg) (with brake) |
1.5 Kg |
|
Max. radial shaft load (N) |
196 |
|
Max. thrust shaft load (N) |
68 |
|
Power rating (kW/s) (with brake) |
21.3 |
|
Rotor inertia (× 10-4kg.m2) (with brake) |
0.192 |
|
Mechanical constant (ms) (with brake) |
0.85 |
|
Brake holding torque [Nt-m (min)] |
1.3 |
|
Brake power consumption(at 20 °C ) [W] |
6.5 |
|
Brake release time [ms (Max)] |
10 |
|
Brake pull-in time [ms (Max)] |
70 |
|
Vibration grade (μm) |
15 |
|
Operating temperature |
0~40 degree centigrade |
|
Storage temperature |
-10~80 degree centigrade |
|
Operating humidity |
20% to 90% RH (non-condensing) |
|
Storage humidity |
20% to 90% RH (non-condensing) |
|
Vibration capacity |
2.5G |
|
IP Rating |
IP65 |
|
Approvals |
CE UL |
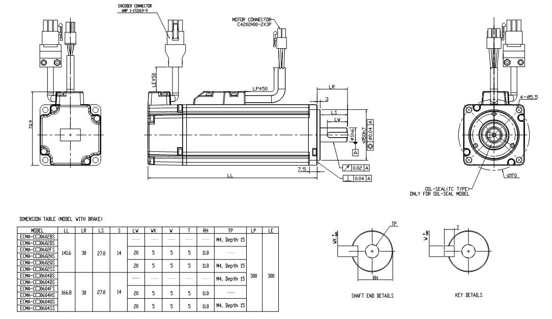
ECMA-C20602SS external dimension

Tell us what you think about this item, share your opinion with other people. Please make sure that your review focus on this item. All the reviews are moderated and will be reviewed within two business days. Inappropriate reviews will not be posted.
Have any question or inquire for this item? Please contact us. Our customer representative will get back shortly.