Delta Inverter VFD drive VFD015M43B-ZA 3Phase 380V 1.5KW 2HP 0.1~400Hz Milling &Woodworking machine

item ID#: VFD015M43B-ZA
Item condition: New and Original
No reviews Write a review
Weight: 3 Kg(s)
0 available/ 0 sold
Start from: 1 Unit(s)
Manufactured by: Delta
Wholesale Price: 222.00

  • DHL Recommended Shipping
  • Stock Lead Time

Estimate Shipping Costs

  • Description
  • Download
  • Reviews
  • Write a Review

VFD015M43B-ZA

VFD015M43B-ZA-model.jpg

Features

Sensorless Vector Micro AC Drive. The compact design is ideal for small and medium horsepower applications. The M drive is designed to provide an ultra-low-noise operation, and includes several innovative technologies that reduce interference. 

Specifications

?Output frequency 0.1 ~ 400 Hz

?Adjustable V/f curve and vector control

?Carrier frequency up to 15 kHz

?Auto torque boost & slip compensation

?Built-in PID feedback control

?Built-in MODBUS communication, baud rate up to 38400 bps

?0 speed holding function

?Built-in sleep / revival function

?Support communication module (DN-02, LN-01, PD-01)

Applications

Packing machine; dumpling machine; treadmill; temperature/humidity control fan for agriculture and aquaculture; mixer for food processing; grinding machine; drilling machine; small size hydraulic lathe; elevator; coating equipment; small size milling machine; robot arm of injection machine (clamp); wood machine (two-side woodworking planer); edge bending machine, elasticizer, etc. 

Standard Specifications

230V Series 1-phase/3-phase

Model Number VFDxxxM

004

007

015

022

037

055

Max. Applicable Motor Output(kW)

0.4

0.75

1.5

2.2

3.7

5.5

Max. Applicable Motor Output(HP)

0.5

1.0

2.0

3.0

5.0

7.5

Output

Rating

Rated Output Capacity(kVA)

1.0

1.9

2.7

3.8

6.5

9.5

Rated Output Current(A)

2.5

5.0

7.0

10

17

25

Maximum Output Voltage(V)

3-Phase Proportional to input voltage

Output Frequency(Hz)

0.1~400Hz

Carrier Frequency(kHz)

1-15

Input Rating

Rated Input Current(A)

Single/3-Phase

3-Phase

6.3/2.9

11.5/7.6

15.7/8.8

27/12.5

19.6

28

Single(3-phase Input Current)

3.2

6.3

9.0

12.5

--

--

Rated Voltage, frequency

Single/3-Phase 200~240V, 50/60Hz

3-phase

200~240V, 50/60Hz

Voltage Tolerance

+-10%(180~264V)

Frequency Tolerance

+-5%(47~63Hz)

Cooling Method

Fan Cooled

Weight(kg)

2.2/1.5

2.2/1.5

2.2/1.5

2.2

3.2

3.2

                     

460V Series 3-phase

Model Number VFDxxxM

007

015

022

037

055

075

Max. Applicable Motor Output(kW)

0.75

1.5

2.2

3.7

5.5

7.5

Max. Applicable Motor Output(HP)

1.0

2.0

3.0

5.0

7.5

10

Output

Rating

Rated Output Capacity(kVA)

2.3

3.1

3.8

6.2

9.9

13.7

Rated Output Current(A)

3.0

4.0

5.0

8.2

13

18

Maximum Output Voltage(V)

3-Phase Proportional to input voltage

Output Frequency(Hz)

0.1~400Hz

Carrier Frequency(kHz)

1-15

Input Rating

Rated Input Current(A)

3-Phase

4.2

5.7

6.0

8.5

14

23

Rated Voltage, frequency

3-phase

380~480V, 50/60Hz

Voltage Tolerance

+-10%(342~528V)

Frequency Tolerance

+-5%(47~63Hz)

Cooling Method

Fan cooled

Weight(kg)

1.5

1.5

2.0

3.2

3.2

3.3

575V Series 3-Phase

Model Number VFDxxxM

007

015

022

037

055

075

Max. Applicable Motor Output(kW)

0.75

1.5

2.2

3.7

5.5

7.5

Max. Applicable Motor Output(HP)

1.0

2.0

3.0

5.0

7.5

10

Output

Rating

Rated Output Capacity(kVA)

1.7

3.0

4.2

6.6

9.9

12.2

Rated Output Current(A)

1.7

3.0

4.2

6.6

9.9

12.2

Maximum Output Voltage(V)

3-Phase Proportional to input voltage

Output Frequency(Hz)

0.1~400Hz

Carrier Frequency(kHz)

1-10

Input Rating

Rated Input Current(A)

3-Phase

2.4

4.2

5.9

7.0

10.5

12.9

Rated Voltage, frequency

3-phase

500~600V, 50/60Hz

Voltage Tolerance

-15% +10%(425~660V)

Frequency Tolerance

+-5%(47~63Hz)

Cooling Method

Fan cooled

Weight(kg)

1.5

1.5

2.0

3.2

3.2

3.3

External Dimensions

 VFD015M43B-ZA Dimensions.jpg

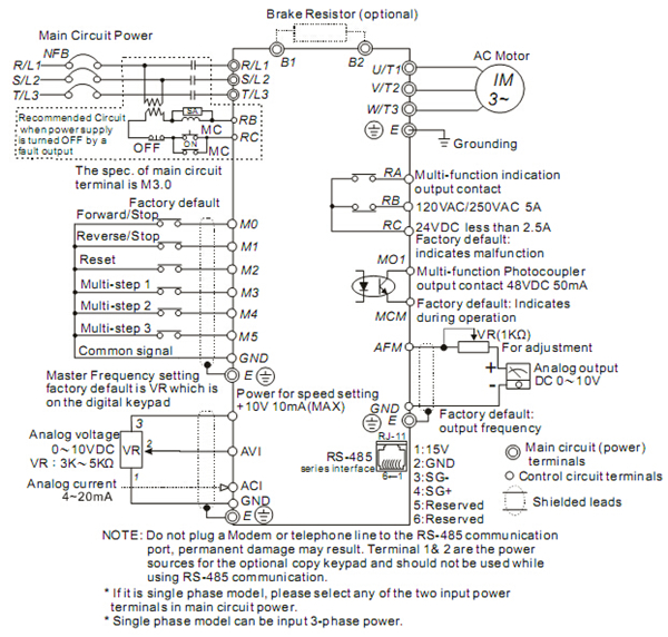
Standard Wiring Diagram

 VFD015M43B-ZA Wiring.jpg

Tell us what you think about this item, share your opinion with other people. Please make sure that your review focus on this item. All the reviews are moderated and will be reviewed within two business days. Inappropriate reviews will not be posted.

Have any question or inquire for this item? Please contact us. Our customer representative will get back shortly.