
.jpg)
Features
The VFD-EL series is multiple functions new generation micro type AC drives. It has built in EMI filter, RFI switch, easy DC bus sharing for side-by-side installation, high precision current detection, overload protection, and a built in keypad.
Specifications
?Output frequency: 0.1 ~ 600Hz
?3 points adjustable V/f curve
?Built-in PID feedback control
?RFI-switch for IT mains
?Built-in EMI filter (for models 230V 1-phase and 460V 3-phase)
?Use RS-485 communication interface (RJ-45) with Modbus protocol
?Optional communication modules for multiple communication protocols, such as Profibus, DeviceNet, LonWorks and CANopen
?Complete protection function
Applications
Small size pump & fan, blowing machine, conveyer belt, simple DIY processing equipment
General Specifications
|
Control characteristics |
Control System |
SPWM(Sinusoidal Pulse Width Modulation) control (V/F control) |
|
|
Frequency Setting Resolution |
0.01Hz |
||
|
Output Frequency Resolution |
0.01Hz |
||
|
Torque Characteristic |
Including the auto-torque/auto/slip compensation: starting torque can be 150% at 5.0Hz |
||
|
Overload Endurance |
150% of rated current for 1 minute |
||
|
Skip Frequency |
Three zones, setting range 0.1-600Hz |
||
|
Accel/Decel Time |
0.1 to 600 seconds(2 Independent settings for Accel/Decel time) |
||
|
Stall Prevention Level |
Setting 20 to 250% of rated current |
||
|
DC Braking |
Operation frequency 0.1-600.0Hz, output 0-100% rated current Starting time 0-60 seconds, stop time 0-60 seconds, stop time 0-60 seconds |
||
|
Regenerated Braking Torque |
Approx. 20% (up to 125% possible with optional brake resistor or externally mounted brake unit, 1-15hp(0.75-11kw)models have brake chopper built-in) |
||
|
V/F Pattern |
Adjustable V/f pattern |
||
|
Operating Characteristics |
Frequency Setting |
Keypad |
Setting by up and down |
|
External Signal |
Potentiometer-5K/0.5W, 0 to + 10VDC, 4 to 20mA, RS-485 interface; Multi-function Inputs 3 to 6(15 steps, Jog, up/down) |
||
|
Operation Setting Signal |
Keypad |
Set by RUN and STOP |
|
|
External Signal |
2 wires/3 wires(MI1, MI2,MI3), JOG operation, RS-485 serial interface(MODBUS), programmable logic controller |
||
|
Multi-function Input signal |
Multi-step selection 0 to 15, Jog, accel/decel inhibit, 2 accel/decel switches, counter, external Base Block, ACI/AVI selections, driver reset, Up/DOWN key setting, NPN/PNP input selection |
||
|
Multi-function Output Indication |
AC drive operation, frequency attained, counter attained, zero speed, Base Block, fault indication, overheat alarm, emergency stop and statues selections of input terminals |
||
|
Analog Output signal |
Output frequency/current |
||
|
Alarm Output Contact |
Contact will be ON when drive malfunctions (1 Form C/change-over contact or 1 open collector output) |
||
|
Operation Functions |
AVR, accel/decel S-Curve, over-voltage/over-current stall prevention, 5 fault records, reverse inhibition, momentary power loss restart, DC braking, auto torque/slip compensation, adjustable carrier frequency, output frequency limits, parameter lock/reset, PID control, external counter, MODBUS communication, abnormal reset, abnormal re-start, power-saving, fan control, sleep/wake frequency, 1st/2ne frequency source selections, 1st/2nd frequency source combination, NPN/PNP selection, constant pressure function |
||
|
Protection Functions |
Over voltage, over current, under voltage, external fault, overload, ground fault, overheating ,electronic thermal, IGBT short circuit, PTC |
||
|
Display Keypad |
6-key, 7-segment LED with 4-digit, 4 status LEDs, master frequency, output frequency, output current, custom units, parameter values for setup and lock, faults, RUN, STOP, RESET, FWD/REV |
||
|
Built-in EMI Filter |
For 230V 1-phase and 460V 3-phase models. |
||
|
Environmental Conditions |
Enclosure Rating |
IP20 |
|
|
Pollution Degree |
2 |
||
|
Installation Location |
Altitude 1000m or lower, keep from corrosive gasses, liquid and dust |
||
|
Ambient Temperature |
-100C to 500C(400C for side-by-side mounting) Non-condensing and not frozen |
||
|
Storage/Transportation Temperature |
-200C to 600C |
||
|
Ambient Temperature |
Below 90% RH(non-condensing) |
||
|
Vibration |
9.80665m/s2(1G) less than 20Hz, 5.88m/s2(0.6G) at 20 to 50Hz |
||
Precise Specifications
Diagram 1
|
Voltage Class |
115V |
|||
|
Model Number VFDxxxEL |
002 |
004 |
007 |
|
|
Max. Applicable Motor Output(kW) |
0.2 |
0.4 |
0.75 |
|
|
Max. Applicable Motor Output (HP) |
0.25 |
0.5 |
1.0 |
|
|
Output Rating |
Rated Output Capacity(kVA) |
0.6 |
1.0 |
1.6 |
|
Rated Output Current(A) |
1.6 |
2.5 |
4.2 |
|
|
Maximum Output Voltage(V) |
3-phase Proportional to Twice the Input Voltage |
|||
|
Output Frequency(Hz) |
0.1~600Hz |
|||
|
Carrier Frequency(kHz) |
2-12 |
|||
|
Input Rating |
Rated Input Current(A) |
Single-phase |
||
|
6.4 |
9 |
18 |
||
|
Rated Voltage/Frequency |
Single phase, 100-120V, 50/60Hz |
|||
|
Voltage Tolerance |
+-20%(90~132V) |
|||
|
Frequency Tolerance |
+-5%(47~63Hz) |
|||
|
Cooling Method |
Natural Cooling |
|||
|
Weight(kg) |
1.1 |
1.1 |
1.4 |
|
Diagram2
|
Voltage Class |
230V |
|||||||
|
Model Number VFDxxxEL |
002 |
004 |
007 |
015 |
022 |
037 |
||
|
Max. Applicable Motor Output(kW) |
0.2 |
0.4 |
0.7 |
1.5 |
2.2 |
3.7 |
||
|
Max. Applicable Motor Output (HP) |
0.25 |
0.5 |
1.0 |
2.0 |
3.0 |
5.0 |
||
|
Output Rating |
Rated Output Capacity(kVA) |
0.6 |
1.0 |
1.6 |
2.9 |
4.2 |
6.5 |
|
|
Rated Output Current(A) |
1.6 |
2.5 |
4.2 |
7.5 |
11.0 |
17.0 |
||
|
Maximum Output Voltage(V) |
3-phase Proportional to Input Voltage |
|||||||
|
Output Frequency(Hz) |
0.1~600Hz |
|||||||
|
Carrier Frequency(kHz) |
2-12 |
|||||||
|
XXXEL21A |
Rated Input Current(A) |
4.9 |
6.5 |
9.5 |
15.7 |
24 |
-- |
|
|
Rated Voltage/Frequency |
1-phase, 200-240V, 50/60Hz |
|||||||
|
XXXEL23A |
Rated Input Current(A) |
1.9 |
2.7 |
4.9 |
9 |
14 |
20.6 |
|
|
Rated Voltage/Frequency |
3-phase, 200-240V, 50/60Hz |
|||||||
|
Voltage Tolerance |
+-10%(180-264V) |
|||||||
|
Frequency Tolerance |
+-5%(47-63Hz) |
|||||||
|
Cooling Method |
Natural Cooling |
Fan cooling |
||||||
|
Weight(kg) |
1.2 |
1.2 |
1.2 |
1.7 |
1.7 |
1.7 |
||
Diagram3
|
Voltage Class |
460V |
||||||||||
|
Model Number VFDxxxEL |
004 |
007 |
015 |
022 |
037 |
||||||
|
Max. Applicable Motor Output(kW) |
0.4 |
0.75 |
1.5 |
2.2 |
3.7 |
||||||
|
Max. Applicable Motor Output (HP) |
0.5 |
1.0 |
2.0 |
3.0 |
5.0 |
||||||
|
Output Rating |
Rated Output Capacity(kVA) |
1.2 |
2.0 |
3.3 |
4.4 |
6.8 |
|||||
|
Rated Output Current(A) |
1.5 |
2.5 |
4.2 |
5.5 |
8.2 |
||||||
|
Maximum Output Voltage(V) |
3-phase Proportional to Input Voltage |
||||||||||
|
Output Frequency(Hz) |
0.1~600Hz |
||||||||||
|
Carrier Frequency(kHz) |
2-12 |
||||||||||
|
Input Rating |
Rated Input Current(A) |
3-phase |
|||||||||
|
1.8 |
3.2 |
4.3 |
7.1 |
9.0 |
|||||||
|
Rated Voltage/Frequency |
3-phase, 380-480V, 50/60Hz |
||||||||||
|
Voltage Tolerance |
+-10%(180-264V) |
||||||||||
|
Frequency Tolerance |
+-5%(47-63Hz) |
||||||||||
|
Cooling Method |
Natural Cooling |
Fan cooling |
|||||||||
|
Weight(kg) |
1.2 |
1.2 |
.1.2 |
1.7 |
1.7 |
1.7 |
|||||
Dimensions
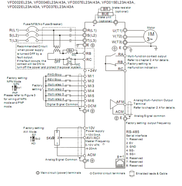
Standard wiring diagram

Tell us what you think about this item, share your opinion with other people. Please make sure that your review focus on this item. All the reviews are moderated and will be reviewed within two business days. Inappropriate reviews will not be posted.
Have any question or inquire for this item? Please contact us. Our customer representative will get back shortly.