
Features
Sensorless Vector Micro AC Drive. The compact design is ideal for small and medium horsepower applications. The M drive is designed to provide an ultra-low-noise operation, and includes several innovative technologies that reduce interference.Â
Â
Specifications
 Output frequency 0.1 ~ 400 Hz
Adjustable V/f curve and vector control
Carrier frequency up to 15 kHz
Auto torque boost & slip compensation
Built-in PID feedback control
Built-in MODBUS communication, baud rate up to 38400 bps
0 speed holding function
Built-in sleep / revival function
Support communication module (DN-02, LN-01, PD-01)
Â
Applications
Packing machine; dumpling machine; treadmill; temperature/humidity control fan for agriculture and aquaculture; mixer for food processing; grinding machine; drilling machine; small size hydraulic lathe; elevator; coating equipment; small size milling machine; robot arm of injection machine (clamp); wood machine (two-side woodworking planer); edge bending machine, elasticizer, etc.Â
Â
 
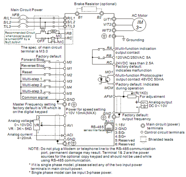
Standard Wiring Diagram
Â

Â
Shipment:
 .png)
1. Usually we will ship the items within 3 working days after the payment is reached.
2. DHL, UPS, Fedex, or EMS is available for shipping.
4. Delivery time:
DHL, UPS, Fedex, EMS express shipping usually take 3-10 working days depends on the country delivered to.
4. Please check out your ADDRESS carefully when processing order.
5. Buyers please note: Accessories tariffs must be buyers to pay.The buyer can choose EMS express to avoid tariffs.
6. Any accidents, delays or other issues are the responsibility of the shipping service.
We promise to:
   Provide 24/7 customer support.
   Offer our customers the low Chinese price.
   Streamline the buying and paying process.
   Deliver goods to our customers all over the world with speed and precision.
   Ensure the excellent quality of our products.
   Help you find products and manufacturers in China.
Return Policy:
   We accept 14 days return policy. If you want to return the item, please contact us in 14 days first and make sure the package is un-opened. The buyer has to pay for the go and back delivery cost and the custom fee of each country. Once we received the product and checked, we will make refund for the part in 24 hours.
   Any quality problem in normal use during the warranty period, we will repair for free. The buyer should pay the return cost and our company will pay the re-shipping cost.
.png)
Tell us what you think about this item, share your opinion with other people. Please make sure that your review focus on this item. All the reviews are moderated and will be reviewed within two business days. Inappropriate reviews will not be posted.
Have any question or inquire for this item? Please contact us. Our customer representative will get back shortly.