



Features:
Sensorless Vector Micro AC Drive. The compact design is ideal for small and medium horsepower applications. The M drive is designed to provide an ultra-low-noise operation, and includes several innovative technologies that reduce interference.
Specifications:
Item Number: VFD004M21A
Manufacturer: Delta Products
Item Category: Drives
Subcategory: AC
Series: VFD-M
Nominal Input VAC: 208;240 Volts AC
Input Range VAC: 200 to 240 Volts AC
HP (CT): 0.5 Horsepower
Amps (CT): 2.5 Amps
Input Phase: 1
Operator Controls: Keypad Included
Max. Frequency: 400 Hertz
Braking Type: DC Injection;Dynamic Braking
Motor Control-Max Level: Open Loop Vector (Sensorless Vector)
Support communication module (DN-02, LN-01, PD-01)
Built-in sleep / revival function
Closed Loop: No
AC Line Regenerative: No
Dynamic Braking Trans: Included
Enclosure Rating: IP20
Applications
Packing machine; dumpling machine; treadmill; temperature/humidity control fan for agriculture and aquaculture; mixer for food processing; grinding machine; drilling machine; small size hydraulic lathe; elevator; coating equipment; small size milling machine; robot arm of injection machine (clamp); wood machine (two-side woodworking planer); edge bending machine, elasticizer, etc.

Standard Specifications
230V Series 1-phase/3-phase
|
Model Number VFDxxxM |
004 |
007 |
015 |
022 |
037 |
055 |
||||
|
Max. Applicable Motor Output(kW) |
0.4 |
0.75 |
1.5 |
2.2 |
3.7 |
5.5 |
||||
|
Max. Applicable Motor Output(HP) |
0.5 |
1.0 |
2.0 |
3.0 |
5.0 |
7.5 |
||||
|
Output Rating |
Rated Output Capacity(kVA) |
1.0 |
1.9 |
2.7 |
3.8 |
6.5 |
9.5 |
|||
|
Rated Output Current(A) |
2.5 |
5.0 |
7.0 |
10 |
17 |
25 |
||||
|
Maximum Output Voltage(V) |
3-Phase Proportional to input voltage |
|||||||||
|
Output Frequency(Hz) |
0.1~400Hz |
|||||||||
|
Carrier Frequency(kHz) |
1-15 |
|||||||||
|
Input Rating |
Rated Input Current(A) |
Single/3-Phase |
3-Phase |
|||||||
|
6.3/2.9 |
11.5/7.6 |
15.7/8.8 |
27/12.5 |
19.6 |
28 |
|||||
|
Single(3-phase Input Current) |
3.2 |
6.3 |
9.0 |
12.5 |
-- |
-- |
||||
|
Rated Voltage, frequency |
Single/3-Phase 200~240V, 50/60Hz |
3-phase 200~240V, 50/60Hz |
||||||||
|
Voltage Tolerance |
+-10%(180~264V) |
|||||||||
|
Frequency Tolerance |
+-5%(47~63Hz) |
|||||||||
|
Cooling Method |
Fan Cooled |
|||||||||
|
Weight(kg) |
2.2/1.5 |
2.2/1.5 |
2.2/1.5 |
2.2 |
3.2 |
3.2 |
||||
460V Series 3-phase
|
Model Number VFDxxxM |
007 |
015 |
022 |
037 |
055 |
075 |
|
|
Max. Applicable Motor Output(kW) |
0.75 |
1.5 |
2.2 |
3.7 |
5.5 |
7.5 |
|
|
Max. Applicable Motor Output(HP) |
1.0 |
2.0 |
3.0 |
5.0 |
7.5 |
10 |
|
|
Output Rating |
Rated Output Capacity(kVA) |
2.3 |
3.1 |
3.8 |
6.2 |
9.9 |
13.7 |
|
Rated Output Current(A) |
3.0 |
4.0 |
5.0 |
8.2 |
13 |
18 |
|
|
Maximum Output Voltage(V) |
3-Phase Proportional to input voltage |
||||||
|
Output Frequency(Hz) |
0.1~400Hz |
||||||
|
Carrier Frequency(kHz) |
1-15 |
||||||
|
Input Rating |
Rated Input Current(A) |
3-Phase |
|||||
|
4.2 |
5.7 |
6.0 |
8.5 |
14 |
23 |
||
|
Rated Voltage, frequency |
3-phase 380~480V, 50/60Hz |
||||||
|
Voltage Tolerance |
+-10%(342~528V) |
||||||
|
Frequency Tolerance |
+-5%(47~63Hz) |
||||||
|
Cooling Method |
Fan cooled |
||||||
|
Weight(kg) |
1.5 |
1.5 |
2.0 |
3.2 |
3.2 |
3.3 |
|
575V Series 3-Phase
|
Model Number VFDxxxM |
007 |
015 |
022 |
037 |
055 |
075 |
|
|
Max. Applicable Motor Output(kW) |
0.75 |
1.5 |
2.2 |
3.7 |
5.5 |
7.5 |
|
|
Max. Applicable Motor Output(HP) |
1.0 |
2.0 |
3.0 |
5.0 |
7.5 |
10 |
|
|
Output Rating |
Rated Output Capacity(kVA) |
1.7 |
3.0 |
4.2 |
6.6 |
9.9 |
12.2 |
|
Rated Output Current(A) |
1.7 |
3.0 |
4.2 |
6.6 |
9.9 |
12.2 |
|
|
Maximum Output Voltage(V) |
3-Phase Proportional to input voltage |
||||||
|
Output Frequency(Hz) |
0.1~400Hz |
||||||
|
Carrier Frequency(kHz) |
1-10 |
||||||
|
Input Rating |
Rated Input Current(A) |
3-Phase |
|||||
|
2.4 |
4.2 |
5.9 |
7.0 |
10.5 |
12.9 |
||
|
Rated Voltage, frequency |
3-phase 500~600V, 50/60Hz |
||||||
|
Voltage Tolerance |
-15% +10%(425~660V) |
||||||
|
Frequency Tolerance |
+-5%(47~63Hz) |
||||||
|
Cooling Method |
Fan cooled |
||||||
|
Weight(kg) |
1.5 |
1.5 |
2.0 |
3.2 |
3.2 |
3.3 |
|
External Dimensions

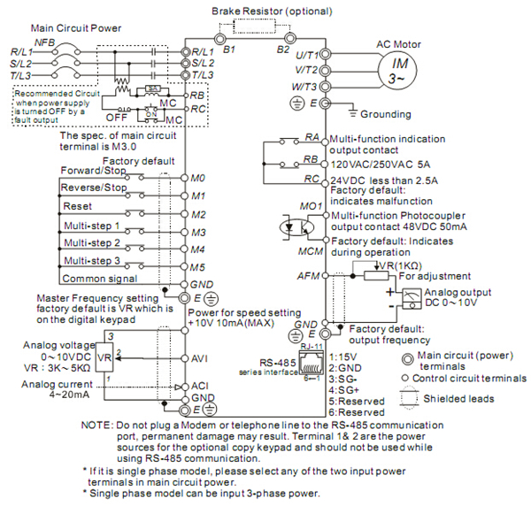
Standard Wiring Diagram

Tell us what you think about this item, share your opinion with other people. Please make sure that your review focus on this item. All the reviews are moderated and will be reviewed within two business days. Inappropriate reviews will not be posted.
Have any question or inquire for this item? Please contact us. Our customer representative will get back shortly.